
0927 Series Brass 2/2-Way Solenoid Valve
- Pilot Operated, Normally Closed
- Port Size: 1/4"–2"
- Fluid Temperature: -5°C to 80°C (120℃ optional)
- Operating Pressure: 0.5–1.6MPa
- Media: air, water, light oil, neutral gas
0927 series is an innovative pilot-operated solenoid valve with 360° omnidirectional mounting, allowing flexible installation in any direction and enhancing layout and piping flexibility. The modular design with an energy-saving pilot mechanism ensures easy maintenance and stable performance. The valve meets the industrial requirement of 16 bar operating pressure, significantly reducing overall operational costs and downtime.
- Supports horizontal, vertical, or inverted installation with full 360° flexibility for complex configurations
- Modular design with diaphragm and pilot components that can be replaced independently for easier maintenance
- Energy-efficient pilot-operated structure providing low power consumption and stable performance
- Manual release mechanism at the bottom for emergency operation during power failure
This solenoid valve is suitable for industrial fluid systems requiring flexible installation, frequent maintenance, or space-constrained deployment, such as:
- Automated production lines
- Process control systems
- Air compressors
- Pipeline systems
- Water supply
- Light oil (diesel oil) systems
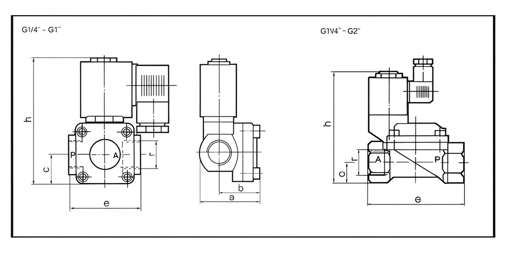
| Model | Port Size (r) | Function | Orifice | A | B | C | E | H |
|
|
1/4" | Normally closed (NC) | 8mm | 45 | 31.5 | 22 | 53 | 97 |
|
|
3/8" | Normally closed (NC) | 10 mm | 45 | 31.5 | 22 | 53 | 97 |
|
|
1/2" | Normally closed (NC) | 12 mm | 45 | 31.5 | 22 | 53 | 97 |
|
|
3/4" | Normally closed (NC) | 20 mm | 65 | 44 | 30 | 86 | 113 |
|
|
1" | Normally closed (NC) | 25 mm | 65 | 44 | 30 | 86 | 113 |
|
|
1-1/4" | Normally closed (NC) | 32 mm | 95 | 47 | 31 | 132 | 136 |
|
|
1-1/2" | Normally closed (NC) | 40 mm | 95 | 47 | 31 | 132 | 136 |
|
|
2" | Normally closed (NC) | 50mm | 112 | 55 | 39.5 | 160 | 155 |
|
|
1/4" | Normally open (NO) | 8mm | 45 | 31.5 | 22 | 53 | 114 |
|
|
3/8" | Normally open (NO) | 10 mm | 45 | 31.5 | 22 | 53 | 114 |
|
|
1/2" | Normally open (NO) | 12mm | 45 | 31.5 | 22 | 53 | 114 |
|
|
3/4" | Normally open (NO) | 20mm | 65 | 44 | 30 | 86 | 130 |
|
|
1" | Normally open (NO) | 25mm | 65 | 44 | 30 | 86 | 130 |
|
|
1-1/4" | Normally open (NO) | 32mm | 95 | 47 | 31 | 132 | 153 |
|
|
1-1/2" | Normally open (NO) | 40 mm | 95 | 47 | 31 | 132 | 153 |
|
|
2" | Normally open (NO) | 50 mm | 112 | 55 | 39.5 | 160 | 172 |
| Category | 2/2-way solenoid valves | ||
| Mode of operation | Pilot operated | Port size | 1/4"–2" |
| Series | 927 | Function | Normally closed (NC) |
| Body material | Brass | Wiring | DIN connector |
| Control method | Solenoid valve/override | Protection level | IP65/IP67 |
| Operating pressure | 0.5–1.6MPa | Mounting | Bracket required |
| Sealing material | NBR, EPDM, Viton | Recommended installation method | Free-mounting in any angle |
| Fluid temperature | -5°C to 80°C (120℃ optional) | Thread options | BSP, NPT thread |
-
Automated precision machining ensures each component is manufactured to exact specifications, which will extend product lifespan.
-
Precision machining of solenoid valve provides automatic cutting with high accuracy. The 5-axis machining combined with high-precision surface polishing guarantees exceptional concentricity and response up to milliseconds.
-
Fully automatic high/low-pressure detection equipment to detect the solenoid valve’s air tightness with high accuracy.
-
Leak testing using the water immersion method to ensure zero leakage under continuous operation.
-
Each solenoid valve undergoes air outlet testing by being submerged in water to ensure zero leakage and reliable sealing.
- Strict quality control: Each valve undergoes 30 quality inspections from raw material to final product.
- Swift delivery: Fast delivery supported by a sufficient inventory of semi-finished products to meet urgent orders.
- Cost-effective valve: Optimized engineering delivers the best value for equal quality levels in the industry.







