
DMF-Z-DD Series Cast Aluminum 2/2-Way Solenoid Valve
- Pilot Operated, Normally Closed
- Port Size: 3/4"–3"
- Fluid Temperature: -5°C to 55°C (-40°C to 80°C)
- Operating Pressure: 0.3–0.8MPa
- Media: air
The DMF-Z-DD series is a normally closed (NC), right-angle, pilot-operated pulse solenoid valve designed for industrial dust collection systems. It adopts a 90° airflow channel and an aerospace-grade cast-aluminum body that is compact, corrosion-resistant, and wear-resistant. This valve's patented snap-ring design allows fast coil replacement without tools and easy maintenance. A precision internal diaphragm mechanism ensures stable operation for up to one million pulse cycles, significantly improving system reliability and cleaning efficiency.
- 90° right-angle structure simplifies pipeline layout and saves installation space
- Aerospace-grade cast-aluminum body offers superior corrosion and wear resistance for harsh industrial conditions
- Customizable sealing materials and diaphragms to support a wide range of temperature operating conditions (e.g., cement-kiln exhaust or low-temperature food-processing)
- NPT standard thread and flange mounting options with a special nut design for easy installation.
- Optional explosion-proof (ATEX-certified) models and anti-vibration mounting components for high-noise or explosion-prone environments
This valve supports high- and low-temperature dust collection systems across industries with heavy dust concentration and high humidity. It is suitable for handling wood dust, abrasive powders, and other fine particulates, especially in:
- Flour milling – low-temperature food processing environments
- Furniture manufacturing – sawdust and fiber extraction systems
- Cement manufacturing – high-temperature cement kiln dust
| Model |
|
|
| Operating pressure | 0.3–0.8MPa | 0.3–0.8MPa |
| Fluid temperature | -5℃ to 55℃ | -5℃ to 55℃ |
| Relative humidity | <85% | <85% |
| Working media | Clean air | Clean air |
| Voltage | AC110V/AC220V/DC24V | AC110V/AC220V/DC24V |
| Diaphragm life/protection class | Over 1 million cycles/IP65 | Over 1 million cycles/IP65 |
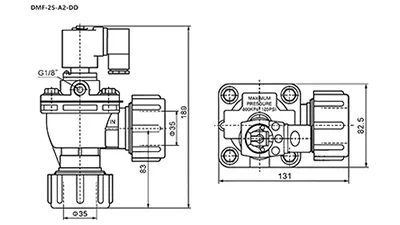
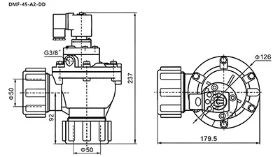
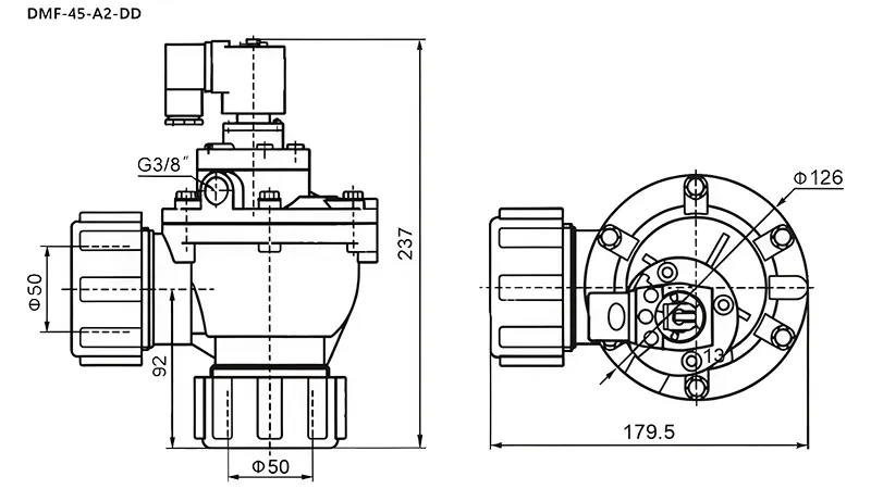
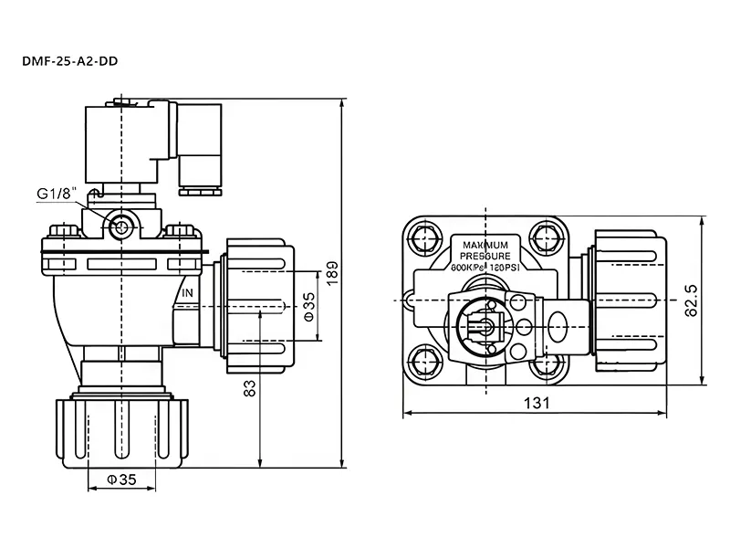
| Orifice | Ø25 | Ø40 |
| Connection port | Ø35 | Ø50 |
-
Automated precision machining ensures each component is manufactured to exact specifications, which will extend product lifespan.
-
Precision machining of solenoid valve provides automatic cutting with high accuracy. The 5-axis machining combined with high-precision surface polishing guarantees exceptional concentricity and response up to milliseconds.
-
Fully automatic high/low-pressure detection equipment to detect the solenoid valve’s air tightness with high accuracy.
-
Leak testing using the water immersion method to ensure zero leakage under continuous operation.
-
Each solenoid valve undergoes air outlet testing by being submerged in water to ensure zero leakage and reliable sealing.
- Strict quality control: Each valve undergoes 30 quality inspections from raw material to final product.
- Swift delivery: Fast delivery supported by a sufficient inventory of semi-finished products to meet urgent orders.
- Cost-effective valve: Optimized engineering delivers the best value for equal quality levels in the industry.








